NETWORK
OSD2111-1NW2
PRODUCT DESCRIPTION
- ▲ Complies with IEEE802.3i/802.3u/802.3ab 10/100/1000Base-T, IEEE802.3u 100Base-X, IEEE802.3z 1000Base-Lx/Sx standards
▲ Complies with the IEEE802.3az Energy-Efficient Ethernet standard
▲ One fixed 10/100/1000Base-T copper port
▲ Supports Link Loss Forwarding in case of port failure
▲ One optical SFP port which can be configured to run at either 100Base-X or 1000Base-X
▲ Supports 10KB jumbo frames
▲ Operates over the temperature range of -40 to +75ºC
▲ Desktop or wall mounting
▲ Powered by non-critical 12VDC supplies
OSD2112-xNW2
FEATURES AND BENEFITS
- Complies with
- IEEE802.3i/802.3u/802.3ab 10/100/1000Base-T,
- IEEE802.3u 100Base-Fx,
- IEEE802.3z 1000Base-Lx/Sx standards
- Complies with the IEEE802.3az Energy-Efficient
- Ethernet standard
- Has two fixed 10/100/1000Base-T copper ports
- Optical port can be either a fixed optical
- connector or one SFP port
- Optical port can be configured to run at either
- 100Base-Fx or 1000Base-X
- Auto MDI/MDIX on copper ports (support both
- straight through and crossover cables)
- Operates over the temperature range of -40 to
- +75oC
- Supports 10KB jumbo frames
- Powered by non-critical 12VDC supplies
INTRODUCTION
- The OSD2112 is a 3-port industrial Ethernet switch providing two RJ45 ports and the option of the fiber port to be either a fixed optical connector port or a SFP port. With a compact design the OSD2112 can easily be mounted inside a network enclosure or a Smart Pole using the wall mounting holes provided or mounted on a DIN rail using the OSD DRB02 bracket. A rugged IP30 casing, fanless design and wide operating temperature range of -40 to +75oC make this product ideally suited for use in a wide range of harsh industrial environments.
TYPICAL APPLICATION DESIGN
specifications
Hardware
- Ethernet
- 2 x 10/100/1000Base-T RJ45, IEEE802.3i/802.3u/802.3ab
- Jumbo Frame Support
- 10KB
- SFP Port
- 1 x SFP ports (100Mbps or 1000Mbps user selectable)
- Fixed Optical Portr
- Duplex or Simplex fixed connector (SC/PC, ST/PC)
- Various Optical Link Budgets and Wavelengths available. Contact OSD for options
- Optical Data Interface M
- IEEE802.3u 100Base-Fx, IEEE802.3z 1000Base-Lx/Sx (Lx for SMOF, Sx for MMOF)
- Enclosure Protection Class
- IP30
- Installation
- Wall mount or desktop (DIN Rail with addition of DRB02 bracket)
- DIP Switch (3 Way)
- 1. Optical Port Speed
- 2. Not in use
- 3. Not in use
- Power Requirements
- Vin +8 to +35VDC or +22 to +28VAC (600mA @ 12VDC)
- Power Connector
- 2 way 5.08mm terminal block
- Indicators
- 2 x Copper Link and Speed on RJ45
- 2 x Port Enabled on RJ45
- 1 x Power On/Off
- 1 x Speed for SFP
- 1 x Link/Act for SFP
- Environmental
- -40 to +75°C
- Relative Humidity
- 0 to 95% non-condensing
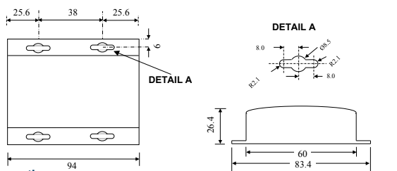
- Dimensions
- 83.4W x 94D x 26.4H (mm)
- Weight
- 300g
WARRENTY
- Warranty Period
- 5 years
- MTBF (Ground Benign Environment,
- 30oC)
- 561,000 hours
Dimensions
Request a Quote
Learn More From
Frequently Asked Questions
Multimode fiber commonly comes in 50/125 μm or 62.5/125 μm core/cladding dimensions, with bandwidth capacities ranging from 200 MHz to 2 GHz, depending on the grade. Multimode systems typically support transmission distances of up to 5 km, making them suitable for short- to medium-range applications.
In contrast, singlemode fiber—usually 9–10/125 μm—offers significantly lower attenuation and effectively unlimited bandwidth, supporting links over 150 to 200 km, especially when paired with optical amplifiers and advanced transceivers.
While singlemode fiber is less expensive per meter, its associated transceivers and equipment tend to cost more than their multimode counterparts. That said, singlemode devices are generally compatible with both singlemode and multimode fiber, whereas multimode equipment works only with multimode fiber.
Let me know if you’d like this turned into a quick-reference table or visual comparison—it’d make a solid inclusion for a fiber deployment guide.
The link budget is the difference between the transmitter’s output power and the receiver’s sensitivity. This budget must account for all signal losses along the path, including:
- Fiber attenuation due to the transmission medium
- Connector losses, such as those at patch panels or equipment interfaces
- Splice losses from mechanical or fusion joints
- Link margin, which provides a buffer for unforeseen variations
The link margin typically ranges from 2–3 dB in tightly controlled environments to up to 10 dB in more variable conditions. It is designed to accommodate:
- Component aging (e.g., light sources may degrade and lose up to 3 dB over time)
- Temperature variations affecting transmitter output or receiver sensitivity (up to 3 dB may be needed for thermal fluctuations)
- Physical cable damage and repair-induced losses (usually minor, but more relevant in harsh or industrial settings)
Always design your system for worst-case scenarios to ensure reliability. However, don’t overlook the best-case condition either—some optical receivers may exhibit erratic behavior if the incoming signal is too strong.
First, verify the optical signal strength along the link. Use an optical power meter to measure the received power at the fiber’s end point. Typical transmit levels range from –8 dBm to –15 dBm, while the receiver sensitivity is around –31 dBm, giving you a link budget of approximately 16 dB. This margin supports transmission distances of up to 10 km on singlemode fiber and about 3–5 km on multimode fiber.
If the measured power falls below the receiver sensitivity, there’s a strong likelihood of issues with the installed fiber. Ideally, initial OTDR readings should have flagged such faults.
If not, inspect the patch cords currently in use for possible defects or misalignment. A frequent oversight is the use of mismatched patch cords.
Multimode fiber types are classified by the ISO/IEC 11801 standard into five main categories: OM1, OM2, OM3, OM4, and OM5. Each type differs in core size, bandwidth, supported data rates, and maximum transmission distances. Here’s a quick breakdown:

- OM3 and OM4 are laser-optimized and widely used in modern data centers.
- OM5 supports shortwave wavelength division multiplexing (SWDM), enabling multiple wavelengths over a single fiber for higher capacity.
- All OM types are backward compatible in terms of connectors, but mixing core sizes (e.g., OM1 with OM3) can cause performance issues.
